技术中心
当前位置: 首页 -> 产品中心
GEWISS自复位RCCB测试标准
1. 前言
意大利的盖维斯(GEWISS)公司在2006年开发出了断路器的自动重合闸装置,并在当年的国际论坛获得了产品设计奖。但是关于该类产品的测试标准目前来说还没有正式的国际标准或国家标准。目前欧洲正在制定相关的标准(prEN50557)。关于GEWISS的自动复位产品请参照以下的要求和方法来测试。
2. 参考标准
1. GB16916.1-2003 家用和类似用途不带过电流保护的剩余电流动作断路器(RCCB)。
2. prEN 50557 家用和类似用途断路器的自动重合闸装置(征求意见稿)
3. 术语定义
2.1 RCCB Residual Current Circuit Breaker
剩余电流断路器,对应的国家标准是GB 16916.1-2003。
2.2 自动重合闸装置Automatic-Reclosing Device (ARD)
在断路器意外跳闸时,将断路器自动重合闸的装置。
2.3 额定工作对地电阻 Rd0
RCCB自动脱扣后,当ARD检测到线路对地的电阻大于等于Rd0时,自动执行重合闸动作。
2.4 额定不工作对地电阻Rd
RCCB自动脱扣后,当ARD检测到线路对地的电阻小于等于Rd时,不执行重合闸动作。
4 检测项目和检测方法
|
顺序 |
检测项目 |
依据标准条款 |
测试方法 |
合格条件 |
|
A |
1 标志 |
GB16916.1第6条 |
|
|
|
2 标志的耐久性 |
GB 16916.1第9.3条 |
|
| |
|
3 检查ARD的激活/关闭功能 |
prEN50557 第9.5.4条
|
将ARD和RCCB正常组合,施加额定工作电压,手动闭合RCCB,然后将ARD的激活/关闭开关反复执行1000次,每分钟不少于2次。 |
测试后ARD的激活/关闭系统可以正常工作。 | |
|
4 验证当RCCB被手动断开时ARD不能执行合闸操作 |
prEN50557 第9.5.3条
|
将RCCB手动断开,观察ARD是否执行自动闭合操作;然后切断RCCB和ARD供电电源,3分钟后恢复供电,观察ARD是否执行自动闭合操作。 |
手动断开RCCB的情况下,不允许ARD自动闭合它,即使停电后再次供电时也不允许ARD执行自动闭合操作。 | |
|
5 验证ARD的最大连续闭合次数(3次) |
prEN50557 第9.5.5条 |
手动闭合RCCB,激活ARD。
按下RCCB的测试按钮使RCCB脱扣,当ARD使RCCB闭合后5s再次按下测试按钮,反复进行该过程,直到ARD不再进行复位操作进入闭锁状态为止,记录ARD执行闭合操作的次数,观察ARD的信号灯和报警触点的状态。
关闭ARD与RCCB组合的电源3分钟后再次通电。
在0.85倍和1.1倍的额定电压下重复进行以上的测试。 |
ARD连续闭合操作的次数不超过3次。
当ARD3次合闸不成功时信号灯显示为红灯,并且告警触点发生转换。
停电后再次供电时,ARD不应执行闭合操作,信号灯仍为红灯,触点状态保持不变。 | |
|
6 测试RCCB跳闸后ARD自动合闸的时间 |
prEN50557 第9.3条 |
手动闭合RCCB,激活ARD。
按下RCCB的测试按钮使其跳闸,然后ARD自动进行合闸操作。测量期间RCCB输出端电源中断的时间。 |
ARD自动合闸的时间小于10s。 | |
|
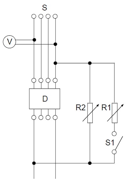
7 验证ARD的工作特性参数 |
prEN50557 第9.19.1条 |
按照图1连接电路, 电阻R1调至当开关S1闭合时可以使RCCB跳闸的合适的值。
1) 电阻R2调至16kΩ,闭合开关S1使RCCB脱扣,然后立即断开S1,ARD应自动使RCCB合闸。
在RCCB的任一非中性极上重复进行3次以上的测试,相邻两次测试间隔30s。
2) 电阻R2调至8kΩ,闭合S1使RCCB脱扣,然后立即断开S1,ARD不应执行RCCB的自动合闸操作而进入待机状态,随后信号灯显示间歇闪烁的红灯,同时告警触点转换。
去除R2后,ARD在15分钟之内将RCCB合闸。
以上试验在RCCB的任一非中性极上重复进行3次,每次试验结束后需重新启动ARD。 |
额定复位对地电阻Ido:16kΩ
额定不复位对地电阻Ido0:8kΩ
| |
|
B
|
螺钉、载流部件和连接的可靠性 |
GB16916.1第9.4条
|
| |
|
连接外部导体的接线端子的可靠性 |
GB16916.1第9.5条 |
| ||
|
电击保护 |
GB16916.1第9.6条 |
| ||
|
介电性能 |
GB16916.1第9.7条 |
| ||
|
温 升 |
GB16916.1第9.8条 |
| ||
|
动作特性 |
GB16916.1第9.9条 |
| ||
|
机械和电气寿命 |
GB16916.1第9.10条 |
RAD的机械寿命为4000次,RCCB的机械寿命为10000次。 | ||
|
短路情况下RCCB的工作状况 |
GB16916.1第9.11条 |
RCCB的短路能力为10000A。 | ||
|
耐机械振动和撞击性能 |
GB16916.1第9.12条 |
| ||
|
耐热性 |
GB16916.1第9.13条 |
| ||
|
耐异常发热和耐火性 |
GB16916.1第9.14条 |
| ||
|
自由脱扣机构 |
GB16916.1第9.15条 |
| ||
|
在额定电压极限值下,操作试验装T |
GB16916.1第9.16条 |
| ||
|
在浪涌电流作用下,防止误脱扣的性能 |
GB16916.1第9.19条 |
| ||
|
绝缘耐冲击电压的性能 |
GB16916.1第9.20条 |
| ||
|
接地故障电流含有直流分量时,RCCB的工作状况 |
GB16916.1第9.21条 |
| ||
|
可靠性 |
GB16916.1第9.22条 |
| ||
|
电子元件的老化 |
GB16916.1第9.23条 |
| ||
注:以上根据GB16916.1-2003针对RCCB的测试项目也适用于ARD和RCCB组合后的整体的测试。

图1 : 额定复位对地电阻Rd0和额定不复位对地电阻Rd的验证电路







